ZF 9HP transmission
ZF 9HP | |
---|---|
Overview | |
Manufacturer | ZF Friedrichshafen |
Production | 2013–present |
Assembly | Gray Court, South Carolina, United States |
Body and chassis | |
Class | 9-speed transverse automatic transmission |
Related | Aisin-Toyota 8-speed · ZF 8HP |
Chronology | |
Predecessor | ZF 4HP |
9HP is the trademark name for the ZF Friedrichshafen 9-speed automatic transmission models (9-speed transmission with Hydraulic converter and Planetary gearsets) for transverse engine applications, designed by ZF's subsidiary in Saarbrücken and built in Gray Court, South Carolina.[1] It is used in front-wheel drive and all-wheel drive vehicles.
The 9HP is the world's first 9-speed automatic transmission for passenger cars. Land Rover and Jeep launched it at the 2013 Geneva Motor Show.[2] The 2014 Jeep Cherokee then was the first car with this transmission delivered to customers.
Gear Model | R | 1 | 2 | 3 | 4 | 5 | 6 | 7 | 8 | 9 | Total Span | Span Center | Avg. Step | Compo- nents |
---|---|---|---|---|---|---|---|---|---|---|---|---|---|---|
9HP 48 · 2013 9HP 28 · 2013 | −3.805 | 4.700 | 2.842 | 1.909 | 1.382 | 1.000 | 0.808 | 0.699 | 0.580 | 0.479 | 9.808 | 1.501 | 1.330 | 4 Gearsets 3 Brakes 3 Clutches |
- ^ Differences in gear ratios have a measurable, direct impact on vehicle dynamics, performance, waste emissions as well as fuel mileage
Specifications
Basic Concept
The 9HP is only 0.24 inches (6 mm) longer than, and weighs 16.5 lbs (7.5 kg) less than, the outgoing six-speed transmission. The compact packaging is achieved by using a number of innovative design features: a new compact hydraulic vane-type pump, two patented dog clutches,[3] which replace bulkier conventional clutch packs, and a nested gear set.[2] ZF claims that it is able to save an average of 16% in fuel compared with current 6-speed automatic transmissions. The gear ratio spread is 9.81:1. The transmission has a torque range between 207 lb⋅ft (280 N⋅m) and 354 lb⋅ft (480 N⋅m).[1]
With Assessment | Planetary Gearset: Teeth[a] | Count | Total[b] Center[c] | Avg.[d] | ||||||
---|---|---|---|---|---|---|---|---|---|---|
Model Type | Version First Delivery · Weight | S4[e] R4[f] | S3[g] R3[h] | S2[i] R2[j] | S1[k] R1[l] | Brakes Clutches | Ratio Span | Gear Step[m] | ||
Gear Ratio | R | 1 | 2 | 3 | 4 | 5 | 6 | 7 | 8 | 9 |
Step[m] | [n] | [o] | ||||||||
Δ Step[p][q] | ||||||||||
Shaft Speed | ||||||||||
Δ Shaft Speed[r] | ||||||||||
Torque Ratio[s] | ||||||||||
Efficiency[s] | ηR | η1 | η2 | η3 | η4 | η5 | η6 | η7 | η8 | η9 |
9HP 28 9HP 48 | 280 Nm[t] · 2013 · 78 kg (172 lb) 480 Nm[u] · 2013 · 86 kg (190 lb) | 42 110 | 42 110 | 91 133 | 42 86 | 3[v] 3[w] | 9.8085 1.5007 | 1.3303[m] | ||
Gear Ratio | −3.8049[n] | 4.7001 | 2.8419 | 1.9094 | 1.3818[q] | 1.0000 | 0.8081[r] | 0.6995[q][r] | 0.5802[q] | 0.4792 |
Step | 0.8095[n] | 1.0000 | 1.6538 | 1.4884 | 1.3818 | 1.3818 | 1.2375 | 1.1553 | 1.2056 | 1.2107 |
Δ Step[p] | 1.1112 | 1.0771 | 1.0000[q] | 1.1167 | 1.0711 | 0.9583[q] | 0.9958[q] | |||
Speed | -1.2353 | 1.0000 | 1.6538 | 2.4615 | 3.4014 | 4.7001 | 5.5816 | 6.7197 | 8.1015 | 9.8085 |
Δ Speed | 1.2353 | 1.0000 | 0.6538 | 0.8077 | 0.9399 | 1.2987 | 1.1161[r] | 0.9035[r] | 1.3818 | 1.7066 |
Torque[s] | –3.4099 | 4.5402 | 2.7675 | 1.8779 | 1.3704 | 1.0000 | 0.7966 | 0.6857 | 0.5673 | 0.4582 |
Efficiency[s] | 0.8962 | 0.9660 | 0.9738 | 0.9835 | 0.9917 | 1.0000 | 0.9857 | 0.9803 | 0.9779 | 0.9561 |
Ratio R & Even | ||||||||||
Ratio Odd | ||||||||||
Algebra And Actuated Shift Elements[x] | ||||||||||
Brake A[y] | ❶ | ❶ | ❶ | ❶ | ❶ | |||||
Brake C[z] | ❶ | ❶ | ❶ | |||||||
Brake D[aa] | ❶ | ❶ | ❶ | ❶ | ❶ | |||||
Clutch B[ab] | ❶ | ❶ | ❶ | ❶ | ||||||
Clutch E[ac] | ❶ | ❶ | ❶ | ❶ | ❶ | ❶ | ||||
Clutch F[ad] | ❶ | ❶ | ❶ | ❶ | ❶ | ❶ | ❶ | |||
| ||||||||||
How It Works
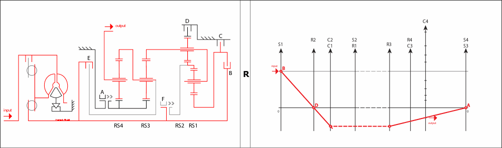
An Animated Drive Line Schematic & A Rotational Speeds Nomogram
These ordinates are positioned on the abscissa in strict accordance with the proportions of the sun gears' teeth numbers relative to those of their rings. Consequently, the output ratios on the ordinate C4 (carrier of planetary gearset 4) follows closely to those of the actual transmission. Note that elements A and F are labelled swapped (cf. legend below).
Nomogram

▶️ Interactive Nomogram Archived 2017-02-02 at the Wayback Machine
This interactive nomogram is a real geometric calculator exactly representing the rotational speeds of the transmission's 3x4 = 12 internal shafts for each of its 9 ratios (+ reverse), grouped according to their 5 permanent coupling on 4 joint ordinates and 3 independent ordinates. These ordinates are positioned on the abscissa in strict accordance with the proportions of the sun gears' teeth numbers relative to those of their rings. Consequently, the output ratios on the 6th ordinate (carrier of the fourth planetary gearset) follows closely those of the actual transmission. This advantageous geometric construction sets us free from Robert Willis' famous and tedious formula,[4] because all calculations are exclusively determined by lengths ratios, respectively teeth numbers on the abscissa for the 4 epicyclic ratios, and of rotational speeds on the 6th ordinate for the 10 gear ratios.
Legend
A: Dog brake (blocks S3 and S4)
C: Brake (blocks S1)
D: Brake (blocks R2)
B: Clutch (couples S1 with input shaft)
E: Clutch (couples C3 (carrier 3) and R4 with input shaft)
F: Dog clutch (couples R1 and S2 with input shaft)
Applications
Acura
Alfa Romeo
- Tonale 2.0L turbo engine
Chrysler
Dodge
- Hornet (2023–, 2.0L turbo engine)
FIAT
- Dobló/RAM Promaster City (2015–2022)
- 500C
- Toro
- Ducato (2020–)
MG
- MG 7 (2023–)
Opel/Vauxhall
Honda
- CR-V[5] (2015–2022, diesel engine)
- Pilot (2016–2020 optional, 2021–2022 standard on all trims)
- Avancier/UR-V (2016–, 2.0L turbo engine)
- Odyssey (2018–2019 standard, 10-speed automatic optional)
- Passport (2019–2025)
- Ridgeline (2020–)
- Civic (2018–2022, diesel engine)
Infiniti
- QX60 (2022–)
Jeep
Ram Trucks
- ProMaster City
- ProMaster (2022–)
- Rampage
Land Rover
Jaguar
Nissan
- Pathfinder[7] (2022–)
Technical imperfections
The transmission has been problematic, as customers of Jeep, Chrysler, and Acura models equipped with the transmission have experienced problems in their vehicles regarding slow shifting and noisy operation. ZF has said this is due to software problems, not mechanical issues.[8]
Chrysler issued Technical Service Bulletins (TSB) for the 2014 Jeep Cherokee to "fix rough and delayed gearshifts", and Acura has issued transmission-related recalls for the 2015 Acura TLX.[9][10]
Production
Production of the 9HP started in 2013 at ZF's Gray Court facility in Laurens, South Carolina. 400,000 units are produced per year.[11]
Production of the 9HP for Fiat and Chrysler vehicles began in May 2013 at Indiana Transmission Plant I (ITPI), followed by Tipton Transmission Plant in Tipton County, Indiana in May 2014.[12]
See also
References
- ^ a b c d "ZF Develops 9-Speed Automatic Transmission for Passenger Cars".
- ^ a b c "Land Rover uses the 9-speed automatic transmission by ZF". Archived from the original on 2013-03-07. Retrieved 2013-02-27.
- ^ a b c ZF’s 9-Speed 9HP Transmission Puts Dog Clutches On The Leash
- ^ Robert Willis (1841). "Principles of mechanism" (PDF). Retrieved 2024-11-04.
- ^ "HONDA British-built CR-V refreshed for 2015". Archived from the original on 2014-12-10. Retrieved 2014-12-01.
- ^ "World Premiere in Geneva: Land Rover installs the world's first 9-speed automatic passenger car transmission from ZF".
- ^ "2022 Nissan Pathfinder Adds New Features and Ditches the CVT". 4 February 2021.
- ^ "Holy Shift ZF 9 Speed Automatic Problems Mount Chrysler Releases Third Software Update for Jeep Cherokee". 4 February 2015.
- ^ "Short Shirt Jeep Cherokee 9 Speed Automatic Gets Second Update for Rough Shifting". Archived from the original on 2015-03-23. Retrieved 2015-03-28.
- ^ "Acura TLX Shifting Problems".
- ^ "Spotted: ZF testing the 9HP Hybrid transmission". Archived from the original on 2012-06-11. Retrieved 2012-05-31.
- ^ Chrysler Group Dedicates New Plant and Launches Nine-Speed Production in Tipton, Ind.